Arduino Analogeingang

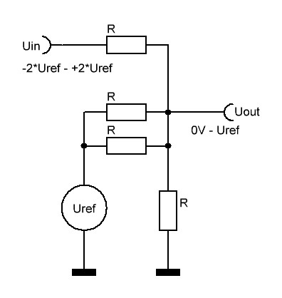
Der Analogeingang eines Arduino kann Spannungen von 0V bis zur Referenzspannung messen. Will man größere Spannungen als messen, braucht man einen Spannungsteiler. Sollen auch noch negative Spannungen gemessen werden, so benötigt man eine Spannungsquelle, die zur Eingangsspannung addiert wird. Das könnte z.B. die Referenzspannung selbst sein, die ja präzise zur Verfügung stehen muss. Im einfachsten Fall reichen dazu drei Widerstände. Dieses Widerstandsnetzwerk soll jetzt berechnet werden.

Voraussetzung für die Berechnung ist, dass der Betrag der maximalen positiven und negativen Eingangsspannung größer als die Referenzspannung (d.h. die zugeführte Spannung) sein muss.
../../_files/Analogeingang.jpg

Berechnung

Nach Knotenregel gilt
oder
Bei der maximalen Eingangsspannung muss die Ausgangsspannung sein. Dann fließt kein Strom durch .
Damit lassen sich in Abhängigkeit von oder in Abhängigkeit von berechnen.
Bei der minimalen Eingangsspannung muss die Ausgangsspannung sein. Dann fließt kein Strom durch .
Damit lässt sich in Abhängigkeit von oder (mit der Beziehung von oben) berechnen.
Meist ist der Betrag der maximalen positiven und negativen Eingangsspannung gleich, z.B . Damit vereinfacht sich die Berechnung von zu

Beispiele

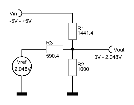
Es sollen Spannungen von gemessen werden. Die Referenzspannung ist 2,048V.
Wir wählen zu 1000 Ohm und berechnen und

Analogeingang-5V.png Analogeingang-5V-Spice.png
Andere Beispiele:

Umin=-5V, Umax=+5V, Uref=4,096V, R2=100k => R1=22,07k, R3=18,02k
Umin=-5V, Umax=+5V, Uref=1,1V => R1=100k, R2=28,2k, R3=22k

Es ergeben sich dabei häufig "krumme" Widerstandswerte.

Vereinfachung

Die Eingangsspannung ist ein ganzzahliges Vielfaches der Referenzspannung:

Wir wählen R_2 und berechnen R_1 und R_3

d.h. der Widerstand ist eine Reihenschaltung von n-1 Widerständen mit dem Wert von
d.h. der Widerstand ist eine Parallelschaltung von einem Widerstand und einer Reihenschaltung von n-1 Widerständen mit dem Wert von .

Damit brauchen wir nicht mehrere "krumme" Widerstände, sondern können die Aufgabe auch mit einem Widerstandswert erreichen. Dazu brauchen wir Widerstände mit dem Wert , um diesen Spannungsteiler zu realisieren.
../../_files/Analogeingang-2.jpg../../_files/Analogeingang-n1.jpg

Wir wählen und berechnen und

d.h. der Widerstand R2 ist eine Parallelschaltung von n-1 Widerständen mit dem Wert von R1.
d.h. Der Widerstand ist eine Parallelschaltung von n Widerständen mit dem Wert von .
Hier brauchen wir ebenfalls Widerstände mit dem Wert von .
../../_files/Analogeingang-n2.jpg

n oder
2 oder
3 oder
4 oder
5 oder

Vor- und Nachteile

  • Die Schaltung ist extrem einfach und kann einfache Messsaufgaben schnell erledigen.

  • Durch die Verwendung gleicher Widerstände ist die Beschaffung vereinfacht und die Genauigkeit nur von der Toleranz der Widerstände und nicht zusätzlich von der Realisierung der genauen Werte durch Zusammenschaltung verschiedener Widerstände abhängig.

  • Zur Messung und zum Abgleich muss nur der genaue Wert der Referenzspannung bekannt oder gemessen werden.

  • Es können nur höhere Spannungen als die Referenzspannung gemessen werden. Bei kleineren Spannungen braucht es doch einen Vorverstärker.

  • Auch wenn der Analogeingang eines Arduinos (oder auch anderer Microcontroller bzw. Analog-Digital-Wandler) sehr hochohmig sein mag, so müssen doch bei der Messung Kapazitäten umgeladen werden. Daher verlangt die Dokumentation des Arduino eine Impedanz der Spannungsquelle von maximal . Der Spannungsteiler muss also relativ niederohmig ausgelegt werden.