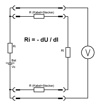
Batterie-Innenwiderstand
Ohne Lastwiderstand
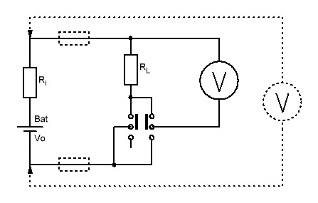
Wenn die Spannung direkt über dem (genau) bekannten Lastwiderstand gemessen wird gilt:
Der damit errechnete Innerwiderstand
beinhaltet jetzt allerdings alle Widerstände im Stromkreis, also neben dem Innenwiderstand der Batterie auch alle Kontakt- und Leitungswiderstände.
Um diese aus Berechnung herauszunehmen ist eine 4-pol Messung (auch Kelvin-Messung) nötig. Damit misst man die Spannung direkt an der Batterie (Closed Circuit Voltage CCV).
| R (Last) | U [V] | I [mA] | Ri [Ohm] |
|---|---|---|---|
| 10 Ohm | 1,50 | 150,00 | 0,0 |
| 225 mW | 1,40 | 140,00 | 0,7 |
| 1,30 | 130,00 | 1,5 | |
| 1,20 | 120,00 | 2,5 | |
| 1,10 | 110,00 | 3,6 | |
| 1,00 | 100,00 | 5,0 | |
| R (Last) | U [V] | I [mA] | Ri [Ohm] |
| 100 Ohm | 1,50 | 15,00 | 0,0 |
| 22,5 mW | 1,40 | 14,00 | 7,1 |
| 1,30 | 13,00 | 15,4 | |
| 1,20 | 12,00 | 25,0 | |
| 1,10 | 11,00 | 36,4 | |
| 1,00 | 10,00 | 50,0 | |
| R (Last) | U [V] | I [mA] | Ri [Ohm] |
| 1000 Ohm | 1,50 | 1,50 | 0,0 |
| 2,25 mW | 1,40 | 1,40 | 71,4 |
| 1,30 | 1,30 | 153,8 | |
| 1,20 | 1,20 | 250,0 | |
| 1,10 | 1,10 | 363,6 | |
| 1,00 | 1,00 | 500,0 |
In der Tabelle:
IEC 61960-3
(von 2017-12 für Lithium Sekundärzellen und Batterien)
IEC 60086-3
(Primary batteries – Part 3: Watch batteries, Edition 5.0 2021-04)
sieht nur eine DC Messung und keine AC Messung des Innenwiderstandes vor




